- About
- Related Products
- Description
- Specifications
- Features
- Downloads
- Shipping






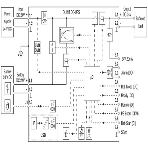
Images are for illustration only and may not reflect the actual product. Refer to the description or specs.
Phoenix Contact 2906991 Uninterruptible power supply QUINT4-UPS/24DC/24DC/5/USB
Normally In Stock
Code: 38076
QUINT4-UPS/24DC/24DC/5/USB Phoenix Contact 2906991 QUINT DC/DC 24 VDC 5 Amp UPS with Screw Connections.
Condition: New
Usually ships Same Day or Next Day$378.06
Sale Price
$315.05
Tariff Status
Tariff may apply if shipping to the United States. Tariff costs are calculated and will be displayed in the shopping cart.
Need a large quantity or a custom solution?
Add this product to your job, favorites list or request a quick quote for volume pricing and lead time information. Our team is ready to assist with any special requirements.
Related Products
Description
Phoenix Contact 2906991 The product features a Quint UPS with IQ Technology, allowing for seamless integration with USB and DIN rail mounting options. The device also comes equipped with screw connections for secure attachment to a mounting surface. It has a single input voltage of 24V DC and can provide an output of either 24V DC or up to 5A, while its charging current is rated at 1.5A.
Specifications
Power Supply Mounting
Din Rail Mount
Power Supply Housing
Enclosed
Component
DC UPS
Manufacturer
Phoenix Contact
Line
QUINT
Power Supply Amperage Output Range
0-5 Amp
Power Supply Voltage Input Range
18 VDC - 30 VDC
Features
Easy integration into networks using PROFINET, EtherNet/IP, EtherCAT® and USB interfaces
Evaluation of state of health (SOH) and state of charge (SOC), thanks to the intelligent battery management system (BMS)
Automatic recognition of the battery capacities and technologies (VRLA-WTR, LI-ION)
Monitoring of output current and voltage, as well as manual connection and disconnection of the system
SFB Technology selectively trips standard miniature circuit breakers. Loads connected in parallel continue working.
Downloads
Phoenix 2906991 CAD data International.dxfPhoenix 2906991 CAD data International.pdfPhoenix 2906991 CAD data International.stpPhoenix 2906991 Data Sheet English.pdfPhoenix 2906991 E-Learning English.wmvPhoenix 2906991 Manufacturers declaration International-2.pdfPhoenix 2906991 Manufacturers declaration International.pdfPhoenix 2906991 Package Slip International.pdfPhoenix 2906991 Software International.zipPhoenix 2906991 Tender Text English.zipPhoenix 2906991 Various English.pdfPhoenix 2906991 Various English.pngPhoenix 2906991 Various English.wmv

Code: 38076
Phoenix Contact 2906991 Uninterruptible power supply QUINT4-UPS/24DC/24DC/5/USB
$378.06
Sale Price
$315.05





