- About
- Related Products
- Description
- Specifications
- Features
- Downloads
- Shipping






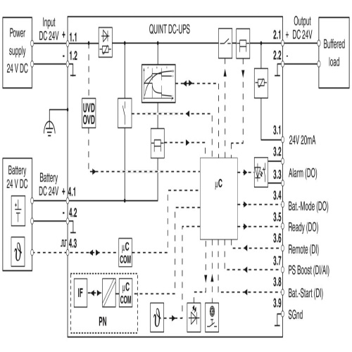
Images are for illustration only and may not reflect the actual product. Refer to the description or specs.
Phoenix Contact 2906993 Uninterruptible power supply QUINT4-UPS/24DC/24DC/5/PN
Normally In Stock
Code: 38077
QUINT4-UPS/24DC/24DC/5/PN Phoenix Contact 2906993 QUINT DC/DC 24 VDC 5 Amp UPS with Screw Connections.
Condition: New
Usually ships Same Day or Next Day*NON-CANCELLABLE, NON-RETURNABLE*
$511.49
Sale Price
$426.24
Tariff Status
Tariff may apply if shipping to the United States. Tariff costs are calculated and will be displayed in the shopping cart.
Need a large quantity or a custom solution?
Add this product to your job, favorites list or request a quick quote for volume pricing and lead time information. Our team is ready to assist with any special requirements.
Related Products
Description
Phoenix Contact 2906993 The device features a Quint UPS unit with IQ Technology, is mounted on a DIN rail and has screw connections for secure fastening. It operates at 24V DC input voltage and provides 24V DC output power with a maximum capacity of 5A, while also supporting a charging current of up to 1.5A.
Specifications
Power Supply Mounting
Din Rail Mount
Power Supply Housing
Enclosed
Component
DC UPS
Manufacturer
Phoenix Contact
Line
QUINT
Power Supply Amperage Output Range
0-5 Amp
Power Supply Voltage Input Range
18 VDC - 30 VDC
Features
Easy integration into networks using PROFINET, EtherNet/IP, EtherCAT® and USB interfaces
Evaluation of state of health (SOH) and state of charge (SOC), thanks to the intelligent battery management system (BMS)
Automatic recognition of the battery capacities and technologies (VRLA-WTR, LI-ION)
Monitoring of output current and voltage, as well as manual connection and disconnection of the system
SFB Technology selectively trips standard miniature circuit breakers. Loads connected in parallel continue working.
Downloads
Phoenix 2906993 CAD data International.dxfPhoenix 2906993 CAD data International.pdfPhoenix 2906993 CAD data International.stpPhoenix 2906993 Data Sheet English.pdfPhoenix 2906993 Device Description English.7z,Phoenix 2906993 Device Description International.zbcPhoenix 2906993 E-Learning English.mp4Phoenix 2906993 Function Module English.msiPhoenix 2906993 Manufacturers declaration International-2.pdfPhoenix 2906993 Manufacturers declaration International.pdfPhoenix 2906993 Package Slip International.pdfPhoenix 2906993 Tender Text English.zipPhoenix 2906993 Various English.pdfPhoenix 2906993 Various English.pngPhoenix 2906993 Various English.wmv

Code: 38077
Phoenix Contact 2906993 Uninterruptible power supply QUINT4-UPS/24DC/24DC/5/PN
$511.49
Sale Price
$426.24





