- About
- Related Products
- Description
- Specifications
- Features
- Downloads
- Shipping







Images are for illustration only and may not reflect the actual product. Refer to the description or specs.
Phoenix Contact 2907161 Uninterruptible power supply TRIO-UPS-2G/1AC/24DC/10
Normally In Stock
Code: 38097
TRIO-UPS-2G/1AC/24DC/10 Phoenix Contact 2907161 TRIO DC/DC 24 VDC 10 Amp UPS with Push-In Connections.
Condition: New
Usually ships Same Day or Next Day$550.40
Sale Price
$458.67
Tariff Status
Tariff may apply if shipping to the United States. Tariff costs are calculated and will be displayed in the shopping cart.
Need a large quantity or a custom solution?
Add this product to your job, favorites list or request a quick quote for volume pricing and lead time information. Our team is ready to assist with any special requirements.
Related Products
Description
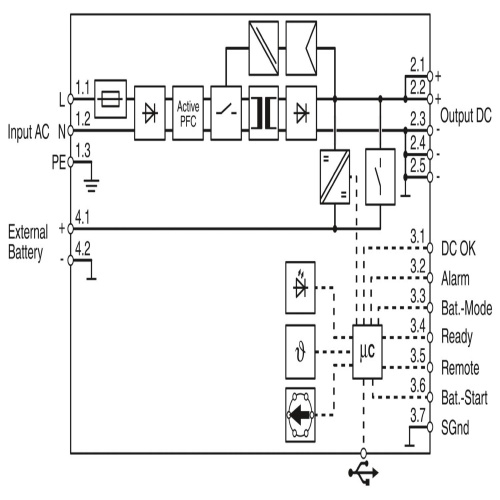
Phoenix Contact 2907161 The TRIO UPS is a versatile power supply unit that combines the features of a UPS with an integrated power supply, allowing for a compact and efficient solution. It includes USB connectivity options for Modbus/RTU communication, making it easy to integrate into existing systems. The DIN rail mounting option provides flexibility in terms of installation, while the push-in connection ensures secure and quick connections. With its 1-phase input and output of 24V DC at 10A, the TRIO UPS offers a reliable source of power for a wide range of applications.
Specifications
Power Supply Mounting
Din Rail Mount
Power Supply Voltage Output
24 VDC
Power Supply Housing
Enclosed
Power Supply Amperage Output
10 Amp
Component
DC UPS
Manufacturer
Phoenix Contact
Line
TRIO
Power Supply Amperage Output Range
6-10 Amp
Features
Space saving: Combination of UPS module and power supply in the same housing
Long buffer times, thanks to large selection of VRLA energy storage systems
USB interface for connection to higher-level controllers such as industrial PCs
Startup from the energy storage system possible, even without mains input
Universal range of possible applications, thanks to a comprehensive package of approvals and an extended temperature range
Easy installation, thanks to push-in connection technology
Downloads
Phoenix 2907161 CAD data International.dxfPhoenix 2907161 CAD data International.pdfPhoenix 2907161 CAD data International.stpPhoenix 2907161 Data Sheet English.pdfPhoenix 2907161 Manufacturers declaration International-2.pdfPhoenix 2907161 Manufacturers declaration International.pdfPhoenix 2907161 Package Slip International.pdfPhoenix 2907161 Software International.zipPhoenix 2907161 Tender Text English.zipPhoenix 2907161 Various English.pdfPhoenix 2907161 Various English.png

Code: 38097
Phoenix Contact 2907161 Uninterruptible power supply TRIO-UPS-2G/1AC/24DC/10
$550.40
Sale Price
$458.67





