- About
- Description
- Specifications
- Features
- Downloads
- Shipping




Images are for illustration only and may not reflect the actual product. Refer to the description or specs.
Phoenix Contact 2700588 Coupling relay PSR-PC40-2NO-1DO-24DC-SC
Normally In Stock
Code: 73069
PSR-PC40-2NO-1DO-24DC-SC Phoenix 2700588 Coupling relay
Condition: New
Usually ships Same Day or Next Day$207.11
Sale Price
$172.59
Tariff Status
Tariff may apply if shipping to the United States. Tariff costs are calculated and will be displayed in the shopping cart.
Need a large quantity or a custom solution?
Add this product to your job, favorites list or request a quick quote for volume pricing and lead time information. Our team is ready to assist with any special requirements.
Description
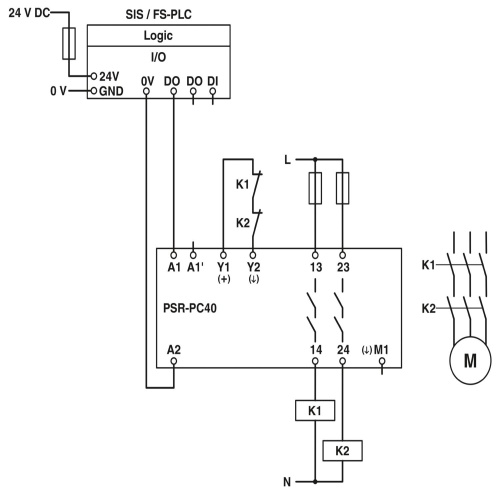
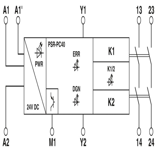
Phoenix Contact 2700588 A coupling relay suitable for SIL 3 high- and low-demand applications features digital output signals that couple to the I/O, allowing for both current paths and a digital signal output. It also supports safe state off applications, incorporates a test pulse filter, and has a plug-in screw terminal block.
Specifications
Safety Connection Method
Screw connection
Safety Degree of Protection
IP20
Safety Contact Type
2 enabling current paths
Component
Safety Relay
Manufacturer
Phoenix Contact
Safety Relay Supply Voltage
24 Volt
Features
Approved for Class I, Zone 2 applications
Force-guided contacts in accordance with EN 50205
Easy proof test according to IEC 61508 thanks to integrated signal contact
Up to SIL 3 in accordance with IEC 61508
Low housing width of just 12.5 mm
Manually monitored and automatic activation in a single device
Self-regulation with device-internal lock
Long service life thanks to filtering of controller test pulses
2 enabling current paths, 1 digital signal output
Couples digital output signals from failsafe controllers to I/O devices (valves, etc.) for electrical isolation and power adaptation
Corrosion protection through protective coating on the PCB

Code: 73069
Phoenix Contact 2700588 Coupling relay PSR-PC40-2NO-1DO-24DC-SC
$207.11
Sale Price
$172.59