- About
- Related Products
- Description
- Specifications
- Features
- Downloads
- Shipping



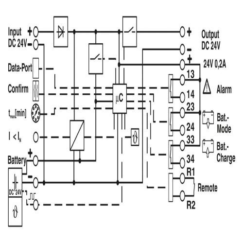
Images are for illustration only and may not reflect the actual product. Refer to the description or specs.
Phoenix Contact 2320241 Uninterruptible power supply QUINT-UPS/ 24DC/ 24DC/40
Normally In Stock
Code: 792
Phoenix Contact 2320241 DC/DC UPS 24 VDC 40A WO/Battery QUINT
Condition: New
Usually ships Same Day or Next Day$1397.42
Sale Price
$1164.52
Tariff Status
Tariff may apply if shipping to the United States. Tariff costs are calculated and will be displayed in the shopping cart.
Need a large quantity or a custom solution?
Add this product to your job, favorites list or request a quick quote for volume pricing and lead time information. Our team is ready to assist with any special requirements.
Related Products
Description
Phoenix Contact 2320241 An uninterruptible power supply unit (UPS) featuring Intelligent Quiescent (IQ) technology can be mounted on a standard DIN rail and comes with an integrated universal DIN rail adapter, accepting a 24V DC input and supplying a stable 24V DC output of up to 40 amps.
Specifications
Power Supply Mounting
Din Rail Mount
Power Supply Voltage Output
24 VDC
Power Supply Housing
Enclosed
Power Supply Amperage Output
40 Amp
Component
DC UPS
Manufacturer
Phoenix Contact
Power Supply Voltage Input Range
18 VDC - 30 VDC
Power Supply Amperage Output Range
31-40 Amp
Features
Comprehensive signaling and parameterization
Optimum use of the buffer time and preventive monitoring of the energy storage
Rapid battery charging
Easy handling thanks to automatic battery detection, tool-free battery replacement during operation, and communication via the IFS interface
Fast tripping of standard circuit breakers with SFB (selective fuse breaking) technology
Reliable starting of difficult loads with the static POWER BOOST power reserve with up to 1.5 times the nominal current permanently
Downloads
Phoenix 2320241 CAD data International.dxfPhoenix 2320241 CAD data International.pdfPhoenix 2320241 CAD data International.stpPhoenix 2320241 CAD Drawing.zipPhoenix 2320241 Data Sheet English-2.pdfPhoenix 2320241 Data Sheet English.pdfPhoenix 2320241 E-Learning English.wmvPhoenix 2320241 Function Module International.msiPhoenix 2320241 Manual English.pdfPhoenix 2320241 Manufacturers declaration English.pdfPhoenix 2320241 Manufacturers declaration International-2.pdfPhoenix 2320241 Manufacturers declaration International-3.pdfPhoenix 2320241 Manufacturers declaration International.pdfPhoenix 2320241 Package Slip International-2.pdfPhoenix 2320241 Software International.zipPhoenix 2320241 Spec Sheet.pdfPhoenix 2320241 Tender Text English.zipPhoenix 2320241 User Manual.pdfPhoenix 2320241 Various English.pdfPhoenix 2320241 Various English.pngPhoenix 2320241 Various English.wmv

Code: 792
Phoenix Contact 2320241 Uninterruptible power supply QUINT-UPS/ 24DC/ 24DC/40
$1397.42
Sale Price
$1164.52





